Онлайн редактор электронных схем
RU
EN
RU
Вход
Регистрация
Демо
Компоненты
Абстрактные
Дискретные
Разъёмы, соединители
Питание
Микросхемы
Мои символы
Трансформаторы
Коммутация
Электровакуумные приборы
Индикация
Акустика
Разъёмы
Разъёмы
Общего назначения
Компьютерная периферия
Memory
Разъёмы DIN
Pin Headers
Terminal blocks
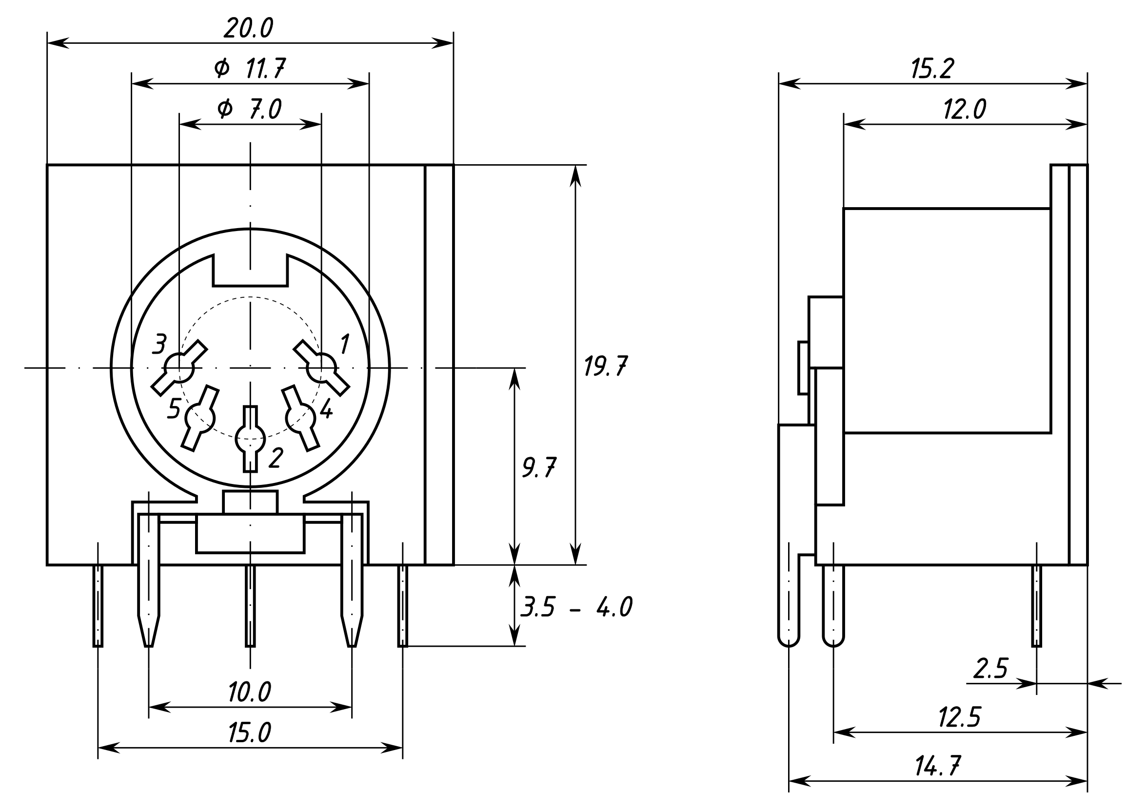
DIN-5
5 pin DIN female connector
Цоколёвка:
По-умолчанию
Стиль:
ЕСКД
Вариант:
Вариант 1
DIN-5
Производитель:
China/Unknown
Код изделия:
DIN-5
DIN-5
чертёж корпуса