Онлайн редактор электронных схем
RU
EN
RU
Вход
Регистрация
Демо
Компоненты
Абстрактные
Дискретные
Разъёмы, соединители
Питание
Микросхемы
Мои символы
Трансформаторы
Коммутация
Электровакуумные приборы
Индикация
Акустика
Разъёмы
Разъёмы
Общего назначения
Компьютерная периферия
Memory
Pin Headers
Разъёмы DIN
Terminal blocks
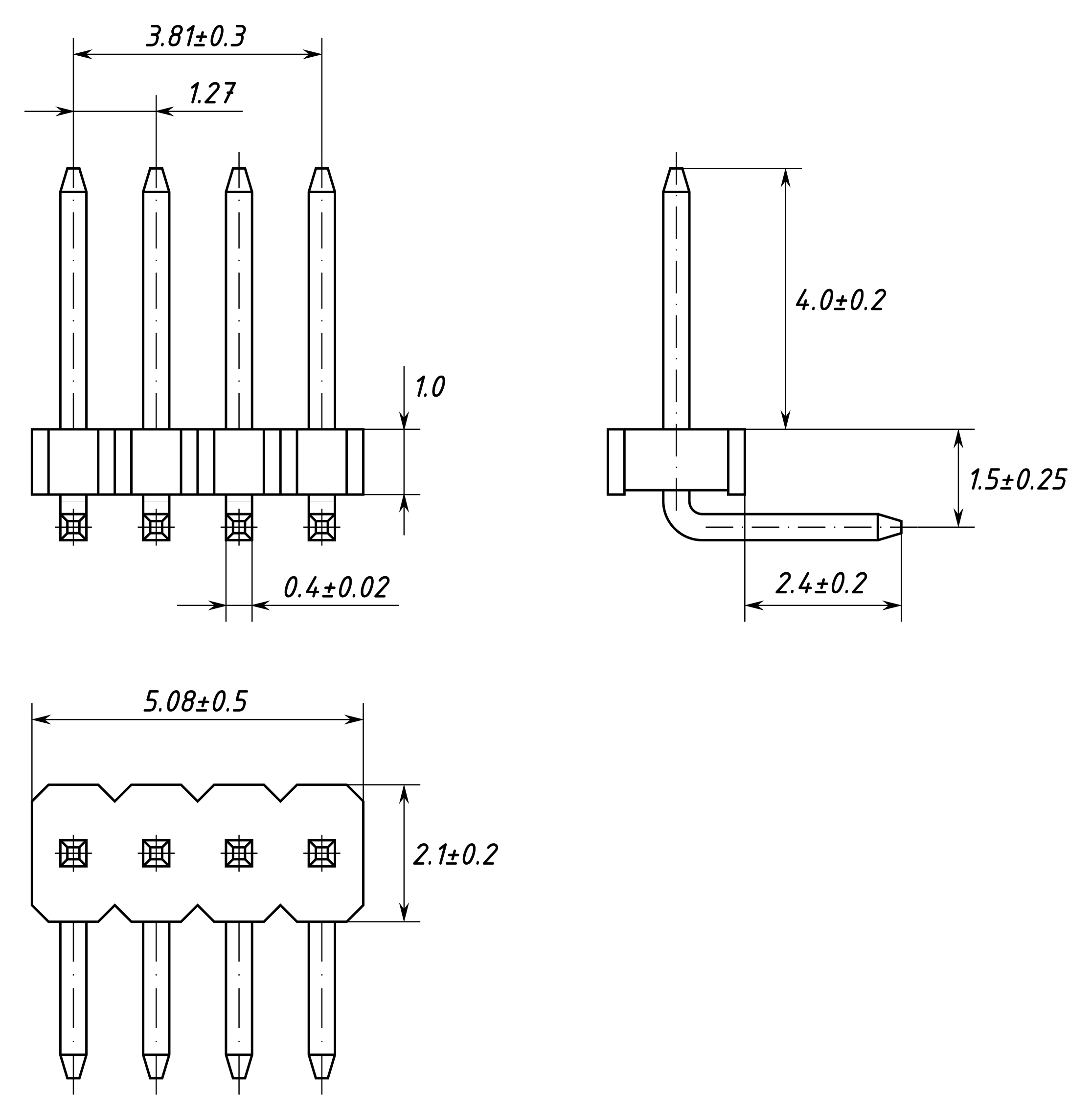
Вилка штыревая 4x1, 1.27мм
Однорядная штыревая вилка, 4 контакта с шагом 1.27мм
Цоколёвка:
По-умолчанию
Стиль:
ЕСКД
Вариант:
Вариант 1
PHC4x1
Производитель:
Amphenol
Код изделия:
G8020041106YEU
Pin header connector 4x1
чертёж корпуса
PHCRA4x1
Производитель:
Harwin
Код изделия:
M50-3930442
Right angle pin header 4x1
чертёж корпуса