Онлайн редактор электронных схем
RU
EN
RU
Вход
Регистрация
Демо
Компоненты
Абстрактные
Дискретные
Разъёмы, соединители
Питание
Микросхемы
Мои символы
Трансформаторы
Коммутация
Электровакуумные приборы
Индикация
Акустика
Разъёмы
Разъёмы
Общего назначения
Компьютерная периферия
Memory
Pin Headers
Разъёмы DIN
Terminal blocks
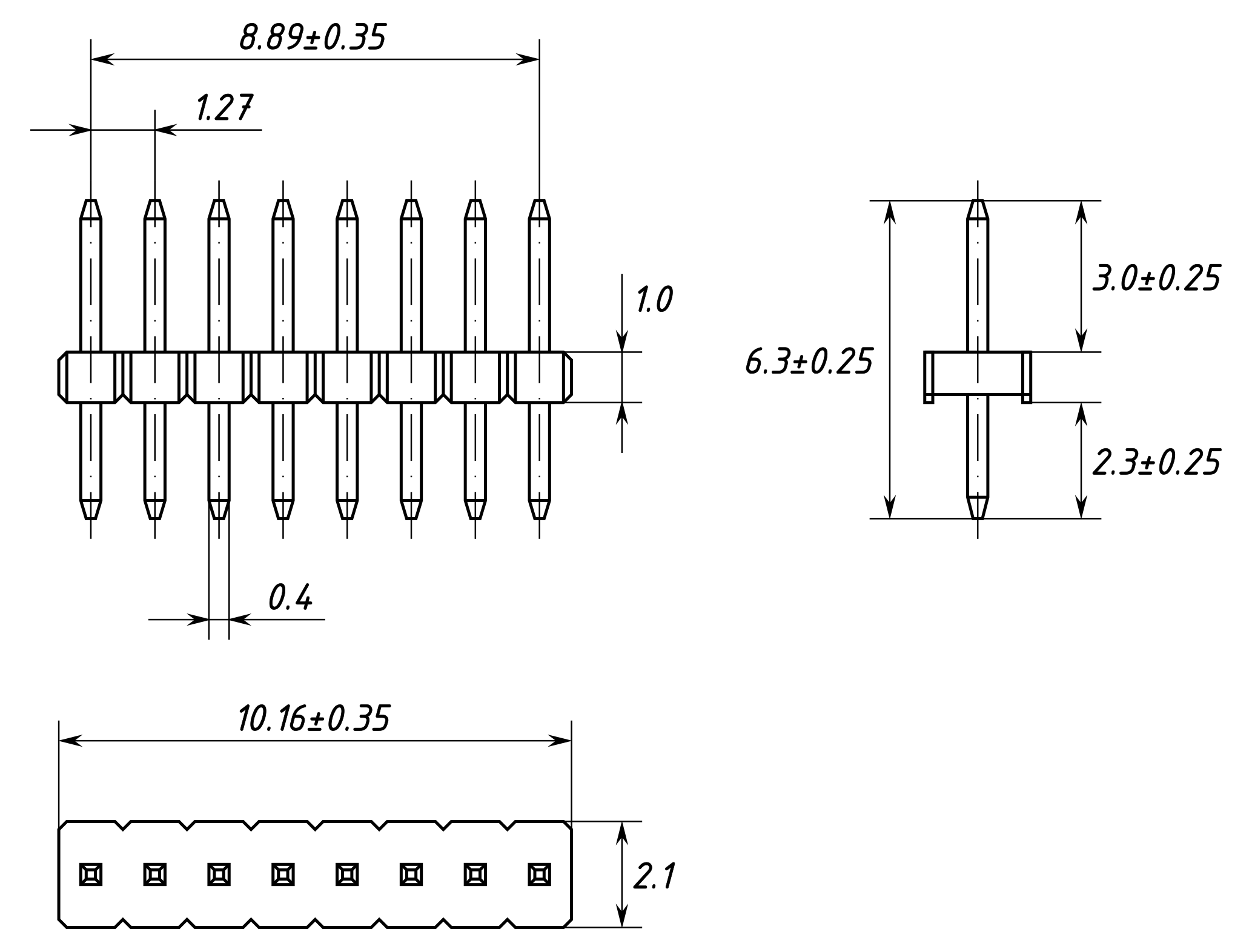
Вилка штыревая 8x1, 1.27мм
Однорядная штыревая вилка, 8 контактов с шагом 1.27мм
Цоколёвка:
По-умолчанию
Стиль:
ЕСКД
Вариант:
Вариант 1
PHC8x1
Производитель:
Amphenol
Код изделия:
G8020081106YEU
Pin header connector 8x1
чертёж корпуса
PHCRA8x1
Производитель:
Harwin
Код изделия:
M50-3930842
Right angle pin header 8x1
чертёж корпуса