Online electronic circuit editor
EN
EN
RU
Log In
Sign Up
Demo
Components
Abstract
Discrete
Connectors_
Power
Integrated circuits
My symbols
Transformers
Switches
Vacuum tubes
Indication
Audio
Connectors
Connectors
General Purpose
Computer Peripherals
Memory
Pin Headers
DIN connectors
Terminal blocks
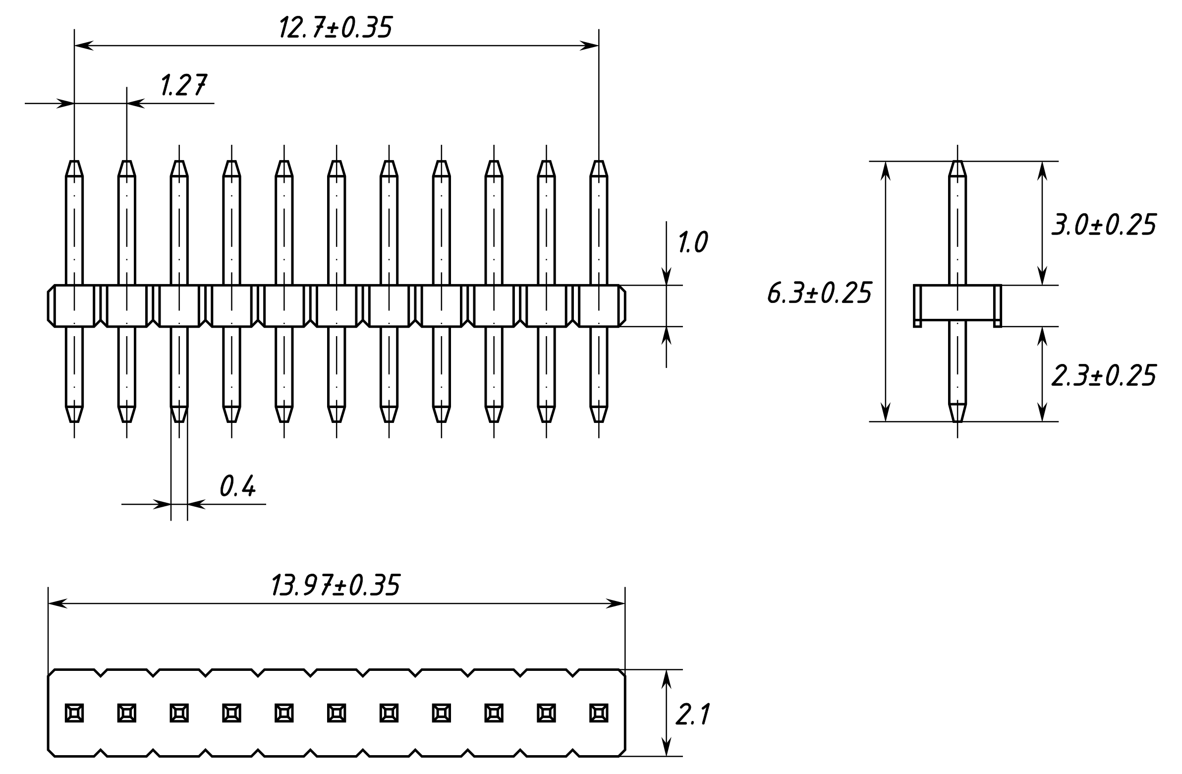
Pin header 11x1, 1.27mm
Single row 11-pin pin header, 1.27 mm pitch
Pinout:
Default
Style:
GOST
Variant:
Variant 1
PHC11x1
Manufacturer:
Amphenol
Part number:
G8020111106YEU
Pin header connector 11x1
package diagram