Онлайн редактор электронных схем
RU
EN
RU
Вход
Регистрация
Демо
Компоненты
Абстрактные
Дискретные
Разъёмы, соединители
Питание
Микросхемы
Мои символы
Трансформаторы
Коммутация
Электровакуумные приборы
Индикация
Акустика
Разъёмы
Разъёмы
Общего назначения
Компьютерная периферия
Memory
Pin Headers
Разъёмы DIN
Terminal blocks
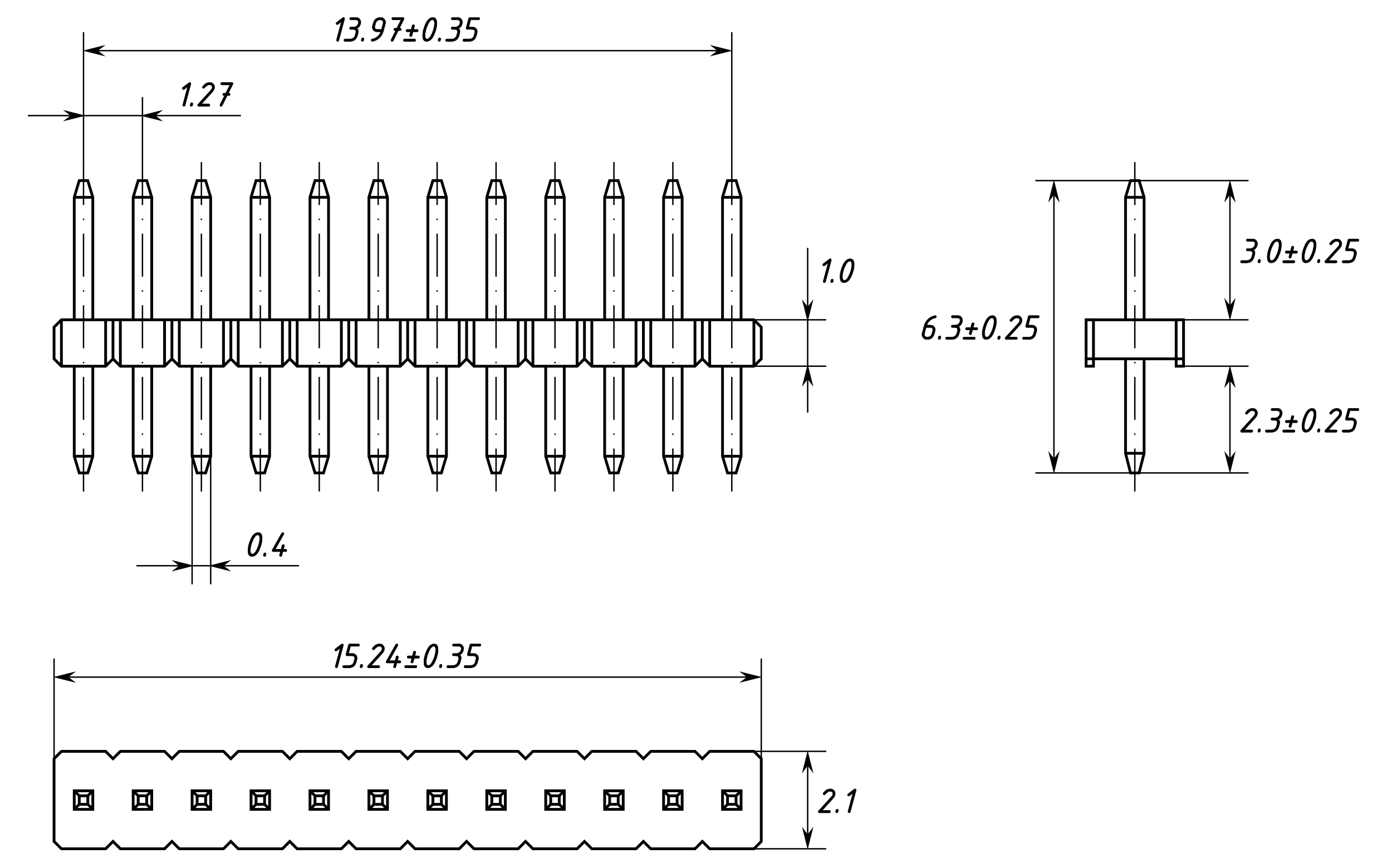
Вилка штыревая 12x1, 1.27мм
Однорядная штыревая вилка, 12 контактов с шагом 1.27мм
Цоколёвка:
По-умолчанию
Стиль:
ЕСКД
Вариант:
Вариант 1
PHC12x1
Производитель:
Amphenol
Код изделия:
G8020121106YEU
Pin header connector 12x1
чертёж корпуса