Online electronic circuit editor
EN
EN
RU
Log In
Sign Up
Demo
Components
Abstract
Discrete
Connectors_
Power
Integrated circuits
My symbols
Transformers
Switches
Vacuum tubes
Indication
Audio
Connectors
Integrated circuits
Memories
Standard logic
Microcontrollers
RTC
CPU and chipsets
LED drivers
Voltage regulators
DAC
MOSFET drivers
Sensors
Timers
EEPLD
Network
Interfaces
Amplifiers
Digital Potentiometers
Wireless & RF
RAM
Flash memory
ROM
DRAM
SRAM
KM44V1000D
1M x 4Bit CMOS Dynamic RAM with Fast Page Mode, 3.3V
Pinout:
Default
Style:
GOST
Variant:
Variant 1
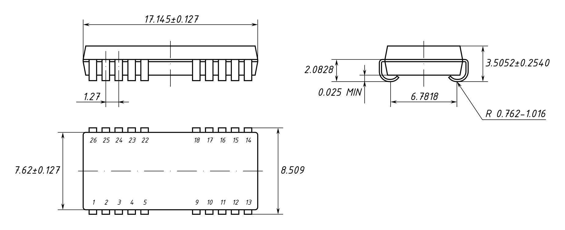
SOJ-26
(JEDEC MS-023, Variation AB)
Pinout
Manufacturer:
Samsung Electronics
Part number:
KM44V1000D-5
Manufacturer:
Samsung Electronics
Part number:
KM44V1000D-6
Manufacturer:
Samsung Electronics
Part number:
KM44V1000D-7
SOJ-26 (JEDEC MS-023, Variation AB)
package diagram