App Icon
EN
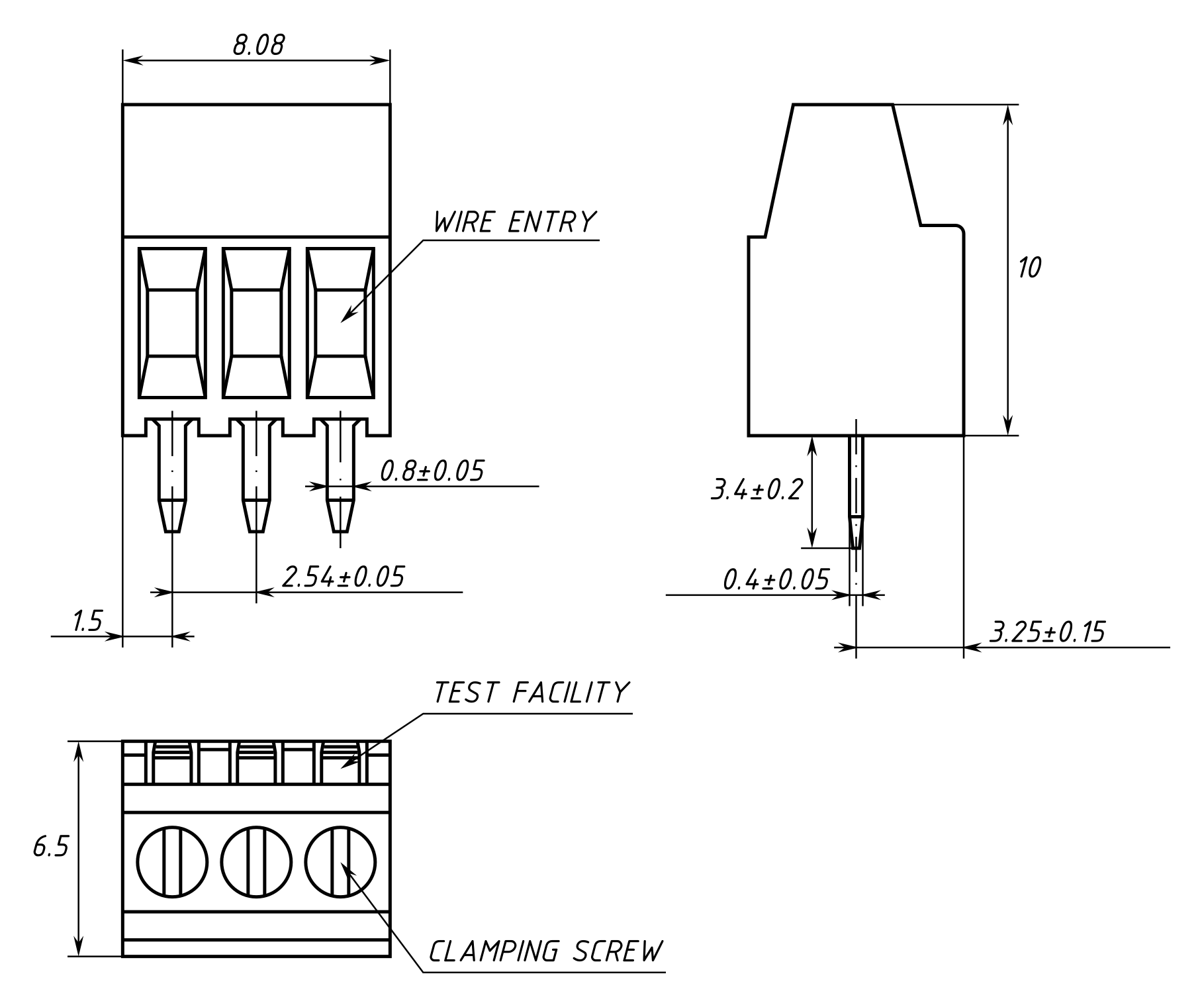
3 way terminal block
3 positions screw terminal block
Pinout:
Default
Style:
GOST
Variant:
Variant 1