Online electronic circuit editor
EN
EN
RU
Log In
Sign Up
Demo
Components
Abstract
Discrete
Connectors_
Power
Integrated circuits
My symbols
Transformers
Switches
Vacuum tubes
Indication
Audio
Connectors
Discrete
Resistors
Capacitors
Diodes
Electrolytic capacitors
Transistors
Contactors
Circuit breakers
Circuit protection
Relays
Crystals
Inductors
Fixed
0,25W
0,125W
0,5W
1W
2W
4.3 Ohm
4.3 Ohm fixed resistor
Pinout:
Default
Style:
GOST
Variant:
Variant 1
RNF14
(0.25W)
Manufacturer:
Stackpole Electronics
Part number:
RNF14JTD4R30
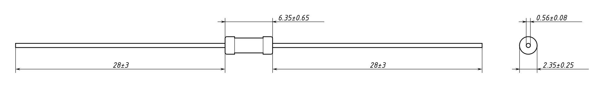
Axial resistor 6.35x2.35 (0.25W)
package diagram